Drehgeber - Inkremental SCH86FEX

Zum Konfigurieren dieses Artikels benutzen Sie bitte den Bestellschlüssel:
Haben Sie Fragen?

Ihr Ansprechpartner
Christian Willmann
c.willmann@willtec.de
07665 - 93465-17
Prospekt Download
- Artikel-Nr.: SCH86FEX
Ex-Proof - Inkremental Drehgeber SCH86BFEX von Willtec Messtechnik mit Hohlwelle und IECEx und... mehr
Produktinformationen "Drehgeber - Inkremental SCH86FEX"
Ex-Proof - Inkremental Drehgeber SCH86BFEX von Willtec Messtechnik mit Hohlwelle und IECEx und ATEX-Zertifizierung.
Eigenschaften:
- EX-proof Drehgeber mit Hohlwelle
- Drehgeber: Ø 86 mm
- Welle: Ø 20 mm - Ø 1 inch
- IP65 (IP66, IP67 optional)
- ATEX, IECEx zertifiziert
Weiterführende Links zu "Drehgeber - Inkremental SCH86FEX"
Technische Daten anfordern ...Technische Daten anfordern ...
Technische Daten "Drehgeber - Inkremental SCH86FEX"
Elektrische Eigenschaften
| Codierung | Inkremental |
| Auflösung | 1 bis 4.096 ppr (Pulse pro Umdrehung) |
| Versorgungsspannung | 4.5 Vdc min. bis 30 Vdc max. ** (35 mA max. - unbelastet) |
| Ausgangsspannung | Niedrig: 500 mV max. at 10 mA Hoch: (Vin - 0.6) bei -10 mA (Vin - 1.3) bei -25 mA |
| Ausgangsstrom | 35 mA max. (unbelastet) je Ausgankskanal * |
| Frequenzgang | 300 kHz max. * 70 kHz max. für MW-Ausgang |
| Ausgangsformat | Two channel (A,B) quadrature with Index (Z) and optional complementary (A-, B-, Z-) |
| Phasenerkennung | B folgt A im Uhrzeigersinn (CW) vom Befestigungsende des Drehgebers |
| Index | Verknüpft mit den Kanälen A und B hoch MW-Ausgang verknüft mit Kanal A |
| Genauigkeit | +/- 0.8 arc-min. |
| Ausgangssignal | ASIC Push-Pull und Differential OL7272 Differential Line Driver 26C31 Differential Line Driver 5 V Ausgang (mit 5V Eingang) iC-DL Differential Line Driver |
| Elektrischer Schutz | Ausgänge sind vor Kurzschlüsse geschützt Verpolungsschutz (nur ASIC- und MP (OL7272)-Ausgänge) Verdrahtungsschutz (nur MW-Ausgang) |
| Störfestigkeit | Geprüft nach DIN EN 61000-6-2:2006 Elektromagnetische Verträglichkeit (EMV) - Teil 6-2: Störfestigkeit für Industriebereiche DIN EN 61000-6-3:2011 Elektromagnetische Verträglichkeit (EMV) - Teil 6-3: Störaussendung für Wohnbereich, Geschäfts- und Gewerbebereiche sowie Kleinbetriebe |
Mechanische Eigenschaften
| Material | Gehäuse: Aluminium / AISI 316 SS (Option) Abdeckkappe: Aluminium / AISI 316 SS (Option) Hohlwelle: AISI 316 SS |
| Gewicht | Aluminum: ~ 1.250 gr. (2.76 lb.) AISI 316 SS: ~ 3.750 gr. (8.27 lb.) Kabel: 50 gr / Meter (1.76 oz / Meter) |
| Lebensdauer des Lagers | > 1.9 x 1010 Umdrehungen bei Nominallast |
| Drehzahl der Welle | 3.000 U/min kontinuierlich (max.) IP67 |
| Drehmoment beim Anfahren | < 0.05 Nm (7.08 oz-in) bei 25°c IP65 < 0.1 Nm (14.16 oz-in) bei 25°C IP67 |
| Massenträgheitsmoment | 550 - 600 gcm2 (7.8 x 10-3 - 8.5 x 10-3 oz-in-sek2) |
| Wellenbelastungen | Axial: 50 N (11.25 lbs) max. empfohlen Radial: 100 N (22.50 lbs) max. empfohlen |
Umgebungsbedingungen
| Betriebstemperatur | -40° bis +70°C |
| Lagertemperatur | -40° bis +85°C |
| Schock | 100 G / 11 ms |
| Vibration | 10-2.000 Hz /10 G |
| Stöße | 10 G / 16 ms (1.000 x 3 Achsen) |
| Luftfeuchtigkeit | 98% RH ohne kondensieren |
| Schutzart | IP65 / Nema 4 (ca,) Option IP66 / Nema 6 (ca,) Option IP67 / Nema 6 (ca,) Option |
Anschlussmöglichkeiten
| Kabel | 8x0,14 mm2, 26 AWG, verdrillte Adernpaare; halogenfrei, geschirmt |
| Kabelverschraubungen | 9-stellige Klemmenleiste (innerhalb der Abdeckkappe) M20-Kabeleinführung M25 Kabelverschraubung |
| Klemmleisten: (Abnehmbare Endkappe) |
- |
Zulassungen
| ATEX | Zertifikat-Nr.: ITS 09 ATEX 168416X II2GExd IICT5GbandII2DExtDIIICT100°C T.amb-40°Cto+70°C |
| IECEx | Zertifikat-Nr.: ITS13.0025X Ex d IIC T5 Gb and Ex tb IIIC T100°C Db T.amb -40°C to +70°C |
| Nord Amerika | Zertifikat-Nr: LR1192-4R2 Class I, Division 2, Groups ABCD T5 Class II, Division 2, Groups FG Ex d IIC T5 Gb Class I, Zone 1, AEx d IIC T5 Gb T.amb= -40 ̊C to +70 ̊C V= 4.5 – 30 Vdc; Imax= 100 mA |
** = Dem Anwender wird empfohlen, die Maximalwerte für alle 3 ParaMeter nicht zu kombinieren.
Zeichnung anfordern ...Zeichnung anfordern ...
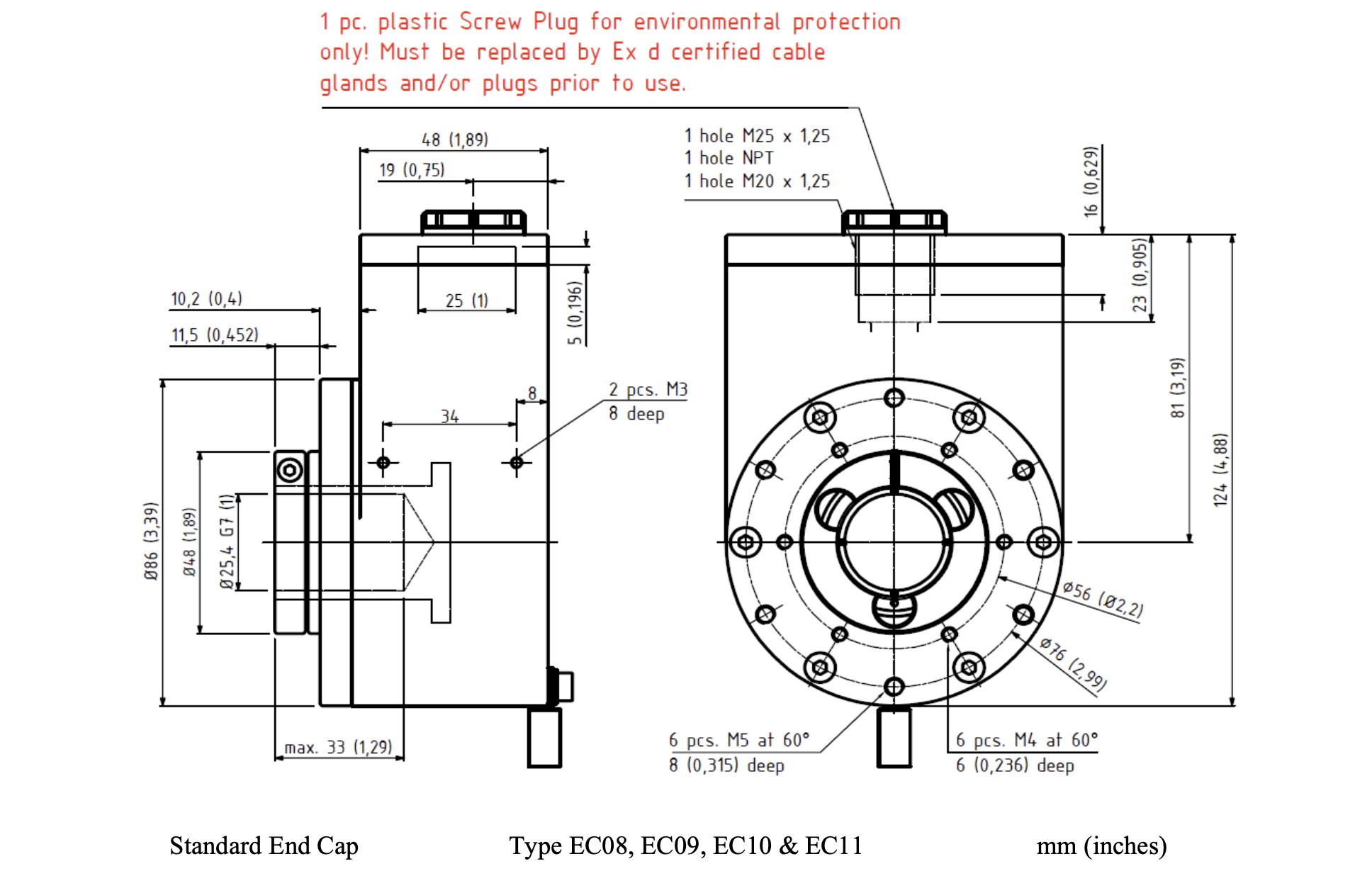
Zeichnung "Drehgeber - Inkremental SCH86FEX"
Datenblatt anfordern ...Datenblatt anfordern ...
Datenblatt anfordern zu "Drehgeber - Inkremental SCH86FEX"
CAD Daten anfordern ...CAD Daten anfordern ...
CAD Daten anfordern zu "Drehgeber - Inkremental SCH86FEX"
CAD-Daten: Bitte anfragen!
Bestellschlüssel anfordern ...Bestellschlüssel anfordern ...
Bestellschlüssel "Drehgeber - Inkremental SCH86FEX"
Passendes ZubehörPassendes Zubehör anfragen ...
Zubehör "Drehgeber - Inkremental SCH86FEX"
Cookie-Einstellungen
Diese Website benutzt Cookies, die für den technischen Betrieb der Website erforderlich sind und stets gesetzt werden.
Konfiguration
Technisch erforderlich
Diese Cookies sind für die Grundfunktionen des Shops notwendig.
Alle Cookies ablehnen
Alle Cookies annehmen
Ausgewählter Shop
CSRF-Token
Cookie-Einstellungen
Individuelle Preise
Kundenspezifisches Caching
Session
Währungswechsel
Komfortfunktionen
Diese Cookies werden genutzt um das Einkaufserlebnis noch ansprechender zu gestalten, beispielsweise für die Wiedererkennung des Besuchers.
Merkzettel
Statistik & Tracking
Endgeräteerkennung
Google Analytics
Partnerprogramm
Zuletzt angesehen









